| Sign In | Join Free | My benadorassociates.com |
|
| Categories | PoE RJ45 Connector |
|---|---|
| Place of Origin: | HuiZhou of China |
| Brand Name: | LINK-PP |
| Certification: | SGS, UL, CE, ISO9001:2008 |
| Model Number: | A70-112-331N126 |
| MOQ: | 50/500/1000/25K |
| Price: | $0.46-$1.92 |
| Packaging Details: | 50PCS/Tray,24Trays/CTN=1200pcs = 32*30*31CM =9KG |
| Delivery Time: | in Stock Ship Today |
| Payment Terms: | TT,NET30/60/90 Days |
| Supply Ability: | 6000K/month |
| Compatible Model: | Magjack A70 112 331N126 |
| Speed: | 1000Base-T |
| Gender: | Female |
| Plating: | Gold 6 in contact area |
| Port Quantity: | 1 X 1 Port |
| Shied EMI Tabs: | Without |
| Application-Lan: | PoE+ |
| LED Options: | Green&Yellow Color |
| Company Info. |
| LINK-PP INT'L TECHNOLOGY CO., LIMITED |
| Verified Supplier |
| View Contact Details |
| Product List |
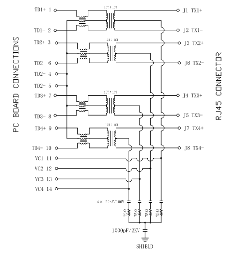
1. RJ45 connector with 1000 Base-T integrated magnetics for POE+ Application.
2. LPJG0926HENL is an alternative to A70-112-331N126, offering identical performance specifications and customizable options.
3. Space Saving Design: Compact form factor for efficient use in high-density networking equipment.
4. EMI Radiation Reduction: LPJG0926HENL has shielding mechanisms to minimize electromagnetic interference (EMI).
5. DIP Type Mounting: Ensures a secure connection on PCBs, improving stability and assembly convenience.
6. Shielded Housing: Offers extra protection against external interference and EMI.
7. LED Options: Provide visual feedback on the connection's status.
AutoMDIX | Support |
Connector series | Magnetic RJ45 Connector |
Speed | 10/100/1000 Base-T |
Mounting Type | Through Hole(TH) |
Orientation | 90° Angle (Right) |
Application-Lan | Ethernet POE/ PoE+,18W-30W |
Height Above Board | 0.526" (13.36mm) |
LED Color | Green - Yellow |
Number of Cores per Jack | 8 |
Shielding | Shielded, Without EMI Finger |
Features | Board Guide |
Tab Direction | Down |
Contact Material | Phosphor Bronze C5210R-EH |
Contact Plating | Gold 6 |
Operating Temperature | 0°C ~ 70°C |
Contact Finish Thickness | 6.00µin (0.152µm) |
Shield Material | SUS201 |
Housing Material | UL90V-0 Thermoplastic |
Number of Ports | 1 |
Number of Rows | 1 |

● Networking: routers, servers, switches, network firewalls, and SMPS (Switched-Mode Power Supplies).
● Consumer Electronics: digital cameras, video recorders, media players, game controllers, and televisions.
● Security Systems: alarms, intelligent cameras, monitoring systems, intercoms, and entrance guard systems.
● Telecommunications: smart home devices, smart meters, satellite equipment, new energy systems, and solar inverters.
● Medical Devices: surgical equipment, patient care devices, handheld medical tools, operation generators, home dialysis machines, and more.
● Industrial I/O (Input/Output): industrial PCs, embedded main boards, Ethernet control systems, automation equipment, fieldbus systems, and I/O controllers.
1. LINK-PP offers OEM and ODM services
2. Various Mounting Type Options: including DIP, Through Hole(TH),
and Surface Mount Device (SMD).
3. Gold Plating Option for Contact Area
4. Diverse Layouts and Speeds: including 10/100/1G/2.5G/5G/10G
Base-T.
5. Standard and Extended Operating Temperature Range
|