Sign In | Join Free | My benadorassociates.com
benadorassociates.com
Products
Search by Category
Home > Moulds >

NCF 2956 CV Single Row Roller Bearing / High Precision Self Aligning Bearing

Categories Cylindrical Roller Bearing
Brand Name: Monton
Model Number: NCF 2956 CV
Place of Origin: Luoyang
name: self aligning bearing
raw: single row
Seals Type:: Open/seal
feature: high precision
Price: USD
Packaging Details: Single box/Wooden case
Delivery Time: 7-35 days
  • Haven't found right suppliers
  • Our buyer assistants can help you find the most suitable, 100% reliable suppliers from China.
  • And this service is free of charge.
  • we have buyer assistants who speak English, French, Spanish......and we are ready to help you anytime!
Submit Buying Request
  • Product Details
  • Company Profile

NCF 2956 CV Single Row Roller Bearing / High Precision Self Aligning Bearing

The following constructions are most common

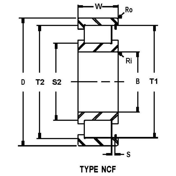
NCF
These are the most common full complement cylindrical roller bearings. The inner ring has two flanges, the outer ring has one flange on one side and a snap ring, which keeps the bearing assembled on the other side. NCF bearings are able to carry axial load from one side a they are able to accommodate certain minor axial displacement of the shaft. The
permissible values for this displacement are in the dimension tables.

Double row bearings

Double row full complement cylindrical roller bearings are all supplied with a lubrication groove with holes in the outer ring, which enables full lubrication access into the rolling space of each row of cylindrical rollers. The inner ring of the NNC, NNCL and NNCF design has three guiding flanges to ensure guiding accuracy of cylindrical rollers. They differentiate by the number of guiding flanges and snap rings in the outer ring. These components stop the rolling elements from falling out.
NNC
One side of outer ring is equipped with guiding flange, the other side has snap ring to keep the cylindrical rollers in place. These bearings can carry the axial load in both directions.
NNCL
NNCL bearings have the flangeless outer ring therefore certain axial bearing rings displacement against each other is accommodated.
NNCF
The outer ring has one flange and one snap ring. These components accommodate axial load transfer in one direction and also certain shaft displacement of the housing.
NNF
NNF bearings are produced with guiding flanges in the two-piece inner ring, which is held together by a retaining ring. The outer ring has a guiding flange. These bearings can also carry the axial load in both directions and as per bigger distance between individual rows of cylindrical rollers, they can transfer a tilting moments.
The outer ring of an NNF bearing is 1 mm narrower than the inner ring and has two snap ring grooves. These bearings are supplied as standard with seals on both sides and the inner space is filled with grease to enable the bearing operation in standard working conditions up to 110°C.

NCF 2956 CV

Dimensions
d280mm
D380mm
B60mm
d1314mm
D1348mm
E359.1mm
smax.3mm
r1,2min.2.1mm
r3,4min.1.5mm
Abutment dimensions
damin.291mm
das309mm
Damax.368mm
Dbmax.370mm
ramax.2mm
rbmax.1.5mm
Calculation data
Basic dynamic load ratingC880kN
Basic static load ratingC01730kN
Fatigue load limitPu166kN
Reference speed700r/min
Limiting speed900r/min
Calculation factorkr0.2
Calculation factore0.3
Calculation factorY0.4
Mass
Mass bearing19.6kg


Single Row Full Complement Cylindrical Roller bearings are designed for heavier loads than same dimensioned counterparts using a cage. This added load carrying capacity is because of the increased number of rollers and is a trade- off for the lower speed rating. These ISO metric dimensioned bearings are supplied with C3 Internal Radial Clearance unless specified. They are industry interchangeable with like size numbered bearings and are used in such applications as accumulator sheaves, gearboxes and walking beam furnace eccentrics.

Full Complement Single Row

full-compliment-single-rollfull-compliment-single-roll













Buy NCF 2956 CV Single Row Roller Bearing / High Precision Self Aligning Bearing at wholesale prices
Send your message to this supplier
 
*From:
*To: LUOYANG MONTON BEARING SCIENCE & TECHNOLOGY CO.,LTD.
*Subject:
*Message:
Characters Remaining: (0/3000)
 
Inquiry Cart 0