| Sign In | Join Free | My benadorassociates.com |
|
| Categories | Test Finger Probe |
|---|---|
| Brand Name: | PEGO |
| Model Number: | PA140 |
| Certification: | Third-lab Calibration Certificate |
| Place of Origin: | China |
| MOQ: | 1set |
| Price: | USD600-800/set |
| Payment Terms: | T/T, Western Union, MoneyGram |
| Delivery Time: | 15 working days |
| Packaging Details: | carton box |
| Standard: | UL1278 , UL398, UL507 |
| Material: | metal and insluating material |
| Shippment: | by express |
| Application: | Film Coated Wire |
| Company Info. |
| Pego Electronics (Yi Chun) Company Limited |
| Verified Supplier |
| View Contact Details |
| Product List |
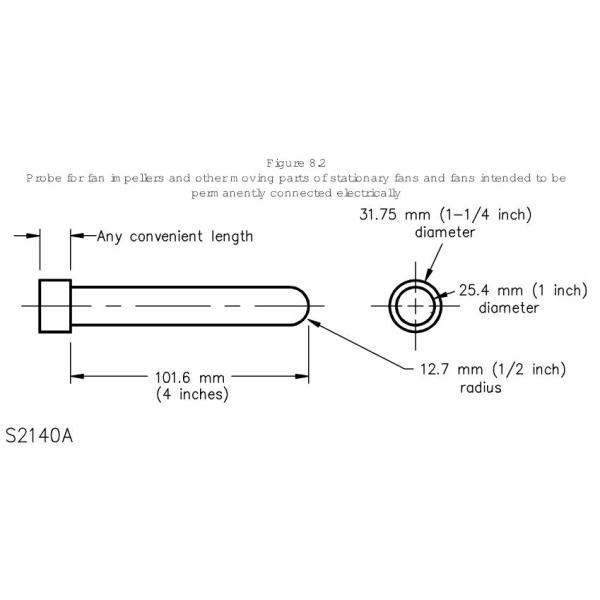
PA140A UL Test Finger Probe Film Coated Wire Conforms to UL1278 with CNAS Certificate
Introduction
Hazardous moving part probe is conforms to the standards of UL507 figure 8.1 (PA160B), UL1278 figure 9.1 (PA160). It is applied to test the accessibility to hazardous moving parts such as access to fan blades through a fan finger guard. The handle is made of nylon, the finger is made by stainless steel.
Specification
| Rigid finger length | 101.6mm (4 inch) |
| Rigid finger diameter | Φ25.4mm (1 inch) |
| Head radius | R12.7MM (1/2 inch) |
| Tail diameter | 31.5mm (1_1/4 inch) |
Picture
|