| Sign In | Join Free | My benadorassociates.com |
|
| Categories | Marine Outfitting |
|---|---|
| Standard: | JIS F 2304-1989 |
| Type: | B, flush pad multi bolt cover |
| Material: | Mild Steel, Stainless Steel |
| Weight: | 52.8 to 59.6kg |
| Test: | Hydraulic Pressure Test |
| Dimension: | As Standard or Customized as inquiry |
| Application Type: | Water-tight, Gas Tight, Oil Tight |
| Gasket Type: | Neoprene, Buna A, Customized |
| Bolt Material: | Stainless Steel, Bronze, Brass |
| Surface Treatment: | Sandblasting to S2.5 + one layer of epoxy shop primer, Polished, Galvanized, Customized surface treatment available |
| Classification Certificates: | CCS, NK, BV, ABS, DNV, LR, KR, IRS, RS, RINA. Mill Certificate |
| Company Info. |
| Zhongyuan Ship Machinery Manufacture (Group) Co., Ltd |
| Verified Supplier |
| View Contact Details |
| Product List |
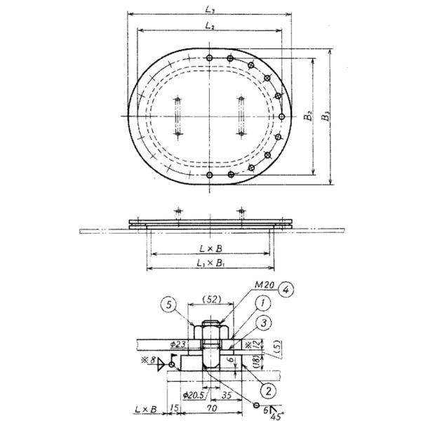
JIS F 2304 Type B Flush Multi Bolt Oval Manhole
Description:
JIS F 2304 Type B is flush manhole hatch cover. It is oval shape with multi bolts. Main material is mild steel, bolt and nut has alternative choice for stainless steel, bronze, brass. Our manhole ring is cut as whole piece without butt weld several pieces together. This workmanship makes sure the ring has smooth top surface to keep good watertight and oiltight. It is used on water ballast tank and oil tank with different kinds of gasket material.
Main Technical Specification:
Main Technical Parameter:
| Nominal Name | Opening | Gasket | Cover | Bolt Quantity | Reference | |||||
| L | B | L1 | B1 | L2 | B2 | L3 | B3 | Weight (kg) | ||
| 4 535 | 450 | 350 | 480 | 380 | 550 | 450 | 620 | 520 | 20 | 42.8 |
| 5 040 | 500 | 400 | 530 | 430 | 600 | 500 | 670 | 570 | 22 | 49.1 |
| 6 040 | 600 | 400 | 630 | 430 | 700 | 500 | 770 | 570 | 24 | 56.6 |
| 6 045 | 600 | 450 | 630 | 480 | 700 | 550 | 770 | 620 | 24 | 59.6 |

Drawing of JIS F 2304 Type B Flush Multi Bolt Oval Manhole Marine Outfitting


|