| Sign In | Join Free | My benadorassociates.com |
|
| Categories | Diamond Dressing Tools |
|---|---|
| Brand Name: | Shine Abrasives |
| Model Number: | 1F1 |
| Certification: | ISO |
| Place of Origin: | CHINA |
| MOQ: | 1 PCS |
| Price: | Negotiate |
| Payment Terms: | L/C, T/T |
| Supply Ability: | 100 PCS per week |
| Delivery Time: | 10 working days |
| Packaging Details: | 1 pcs in one wooden box |
| Materials: | CVD Diamond and steel body |
| Bond: | Sinter |
| Diameter: | 120mm |
| HS Code: | 8207901000 |
| Company Info. |
| ZHENGZHOU SHINE ABRASIVES CO.,LTD |
| Verified Supplier |
| View Contact Details |
| Product List |
Diamond Dressing Tools 120mm CVD Rotary Diamond CNC Dressing Disc
Shine Abrasives CNC dressing discs with natural diamond or CVD diamond
CNC dressing discs are able to work as an alternative to full form diamond dressing rolls
by allowing the user to generate profiles using the CNC machine, enabling complex grinding wheel profiles
and cylindrical grinding wheels of differing widths to be dressed fastly.
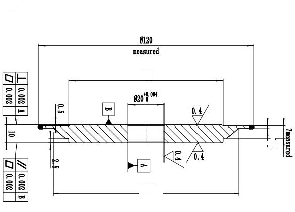
Main sizes form of Shine Abrasives Diamond Dressing Tools 120mm CVD Rotary Diamond CNC Dressing Disc
| Abrasive Material:CVD | Bond Type:Sintering |
| Radius:R0.8mm | Diameter: 120mm |
| Bore:20mmH3 | Wheel Weight:1.2kgs/PC |
| Thickness:10mm | Body Material: Steel |
Other standard sizes also are available as requested.
The drawing of Shine Abrasives Diamond Dressing Tools 120mm CVD Rotary Diamond CNC Dressing Disc

Markets of Shine Abraives Diamond Dressing Tools 120mm CVD Rotary Diamond CNC Dressing Disc
Automotive Industry
Turbine Industry
Wind Farms
Gear Industry
|